技术完成单位:华南理工大学环境与能源学院
项目负责人:黄少斌教授
电话:020-39380587,邮箱:chshuang@scut.edu.cn
一、技术简介
本课题组研究提出的 AOA-SBFBR(Anoxic-Aerobic-Anoxic Sequencing Batch Fixed Biofilm Reactor)工艺采用“固定载体生物膜+悬浮活性污泥”的“双污泥”系统,“缺氧-好氧-缺氧”的序批式运行模式,以及重 新设计的混合液提升搅拌系统,具有好的深度脱氮性能,能够在不外加碳 源的条件下,使生活污水的处理出水总氮值稳定低于 10 mg/L,整体出水水质满足准 IV 类水水质要求。
与此同时,AOA-SBFBR 工艺的中试试验还证明,本工艺同时具备:1.剩余污泥排放量少(减量 20%以上);2.吨水电耗低(同等条件下电耗较推流式工艺降低 30%以上);3.吨水占地面积小(同等条件下占地面积较推流式工艺减少 20%以上)等的技术优势。该技术工艺,还可以进一步结合人工湿地的单元,使得出水用于做景观用回或绿化回用水等。该技术同步可以用于各类工业废水处理与回用。
目前,本工艺获得发明专利多项。项目技术原理除完成中试外,同步在荔湾区建立有校区污水处理与回用系统,该系统目前运行十二年以上,并获得 2018 年中国循环经济协会科学技术奖三等奖等奖项。
2019 年 11 月 8 日,用于废水反硝化脱氮和烟气脱硝的高效好氧反硝化技术工艺,在“第二十三届全国发明展览会. 一带一路暨金砖国家技能发展与技术创新大赛”获得“发明创业奖-项目奖”金奖。证书编号:2801241, 国科奖社证字第 0123 号。
2018 年 12 月,项目名称:协和中学校园生活污水处理回用及循环利用,获 2018 年中国循环经济协会科学技术奖三等奖。
二、产业化背景与预期介绍
近年来,由城市扩张带来的大量污染物排放严重影响了水环境质量,湖泊、海湾等缓流水体的环境容量难以接纳更多的污染物。特别是污水中的氮和磷,其主要危害是导致湖泊、海湾等缓流水体出现富营养化。以湖泊为例, 其发生富营养化的临界条件仅为总氮>0.2 mg/L,总磷>0.02 mg/L,而现行《城镇污水处理厂污染物排放标准》(GB18918- 2002)中最严格的“一级A 标准”规定的处理出水排放浓度值为总氮不超过 15 mg/L,总磷不超过 0.5 mg/L,是上述临界值的几十倍。因此,对于环境水体脆弱的地区,部分地方政府已出台了更为严格的地方排放标准,要求污水处理厂出水水质达到准 IV 类水水质要求。
目前国内污水厂主要采用的 A2/O、氧化沟、SBR 等活性污泥法工艺的出水总氮指标均难以达到 10 mg/L 的限值要求。为了进一步削减由污水处理厂向水体排放的污染物总量,现阶段国内污水厂主要在原有工艺基础上,增加高效纤维滤池、反硝化滤池、曝气生物滤池等三级处理工艺的提标改造方案, 但上述工艺方案所需的占地面积大,改造、运行费用高,导致提标改造工程很难实施。
AOA-SBFBR 工艺是一种可深度脱氮的二级生化处理工艺,具备出水水质满足准 IV 类水水质要求、剩余污泥排放量少、吨水能耗低、占地面积小等一系列技术优势,对于城镇污水处理厂和各类工业废水处理与回用的新建、改建和提标等工程具有良好的应用前景。
三、成果转化需求
AOA-SBFBR 强化脱氮工艺处理效果稳定、排泥量少、电耗低、占地面积小,推广应用初期可用于建立小型污水处理场、站,服务于未连接污水处理厂的住宅小区和工业企业,收集和处理其排放的生活污水,处理达标后再排放至附近水体,还可以进一步结合人工湿地的单元,使得出水用于景观用回或绿化回用等。建立一座处理量为 500 m3/d 的生活污水处理站,所需建设费用约为 200-300 万元。该技术可以同步用于建设各类工业废水处理与回用系统,费用因水质不同而不同。
四、有无形成知识产权
有生物材料和微生物的发明专利,以及工艺的发明专利(黄少斌, 杜至力. 一种序批式污水处理工艺的生化处理构筑物优化布置方法,发明专利号:ZL 202010354392.7,发文日:2020 年 06 月 08 日)。
五、成果展示图

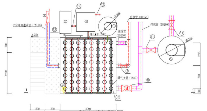
图 1 AOA-SBFBR 工艺装置俯视图

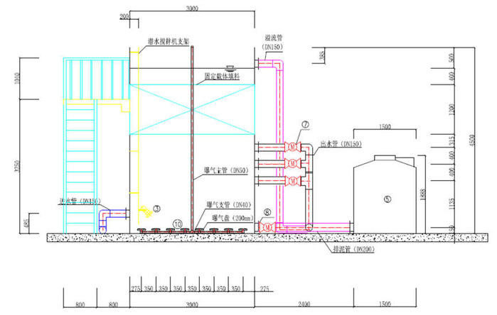
图 2 AOA-SBFBR 工艺装置正视图

图 3 AOA-SBFBR 工艺 TN 去除效果

图4  AOA-SBFBR工艺COD去除效果

图5  某高中处理后出水用于做景观用水