Lyocell专题 | 莱赛尔纤维生产工艺及原理(七):Lyocell纤维的性能及应用

十四五期间,纺织行业将纤维新材料持续创新升级列为五大重点工程之首。莱赛尔(Lyocell)纤维专用浆粕、溶剂、交联剂和差别化莱赛尔纤维关键技术突破是行业十四五期间发展重点任务之一。
莱赛尔纤维以自然界中取之不尽用之不竭的木、竹等为原料,制造流程环保,具有棉的舒适性、涤纶的强度、毛织物的豪华美感和真丝的独特触感及柔软垂坠,无论在干或湿的状态下,均极具韧性,凭借自身优异性能,在中国起步较晚、但发展迅速。
国家先进功能纤维创新中心作为搭建对接桥梁、为行业服务的国家级平台,本次与中国纺织科学研究院原副院长、顾问赵庆章一道,以其编著的《Lyocell纤维生产工艺及原理》为核心,在公众号上展开为期8期的莱赛尔纤维专题科普。


莱赛尔纤维专题将具体以(一)Lyocell纤维发展的历史沿革,(二)纤维素的结构与性能,(三)Lyocell纤维用浆粕的生产方法及主要性能指标,(四)纤维素在NMMO溶液中的溶解机理,(五)Lyocell纤维的制备工艺及影响因素,(六)溶剂回收,(七)Lyocell纤维的性能及应用,(八)Lyocell纤维发展的前景展望展开。
本期将具体介绍Lyocell纤维的性能及应用,敬请持续关注~

Lyocell纤维具有卓越的物理性能,表7-1是几种常见的纤维素品种物理性能的比较。
表7-1 常见纤维素纤维的性能比较 | ||||
性能指标 | Lyocell | 黏胶纤维 | Model | 棉 |
线密度/dtex | 1.7 | 1.7 | 1.7 | - |
强度/(cN·tex-1) | 40~44 | 22~26 | 34~36 | 20~24 |
断裂伸长/% | 14~16 | 20~25 | 13~15 | 7~9 |
湿强/(cN·tex-1) | 34~38 | 10~15 | 19~21 | 26~30 |
湿态断裂伸长/% | 6~18 | 25~30 | 13~15 | 12~14 |
湿态模量(5%伸长时)/(cN·dtex-1) | 270 | 50 | 110 | 100 |
回潮率/% | 11.5 | 13 | 12.5 | 8 |
保水率/% | 65 | 90 | 90 | 50 |
纤维素聚合度 DP | 550 | 250~350 | 300~500 | - |
纤维素纤维的物理性能除了纤维素自身的聚合度外,与其横截面形状有密切的关系,再生纤维的截面形状则与纺丝工艺相关。

棉纤维的横截面呈腰子型,纵向呈扁平带状,并呈螺旋状的扭曲,它是未经加工的天然纤维素纤维,这种物理形态赋予了棉纤维一些特殊的物理性能,其横截面与纵向外观如图7-1所示。



图 7-1 棉纤维的横截面与纵向外观
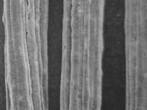
黏胶短纤维的横截面是一个不规则的多边形,呈扁平状,纵向有多条沟槽。黏胶纤维通常采用湿法纺丝工艺,纤维的形成经过了激烈的双扩散过程,使纤维的内部有大量的孔隙。不规则的形状和内部的孔隙造成了多处应力集中点,因此,黏胶纤维的强度较低。尤其当纤维处于湿态时,孔隙处的薄弱环节因为水或其他溶剂的介入而更脆弱,通常黏胶的湿强度只有干强的一半,进而大大影响了它的加工性能,图7-2所示为黏胶纤维的横截面与纵向外观。



图 7-2 黏胶纤维的横截面与纵向外观
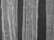
Model纤维横截面接近腰圆形,纵向表面有较浅的1~2根沟槽,其生产过程与黏胶纤维相似,但所生产的纤维的聚合度较黏胶纤维高,它以榉木制成的木浆为原料,采用了特殊的纺丝工艺,因此湿强度高,具有良好的可纺性和纺织性,它的性能处于黏胶纤维和Lyocell纤维之间。Model沿用了黏胶纤维的生产工艺,因此,生产过程中的污染仍然是一个严重的问题,其横截面与纵向外观如图7-3所示。



图7-3 Model 纤维的横截面与纵向外观
Lyocell纤维是以天然纤维素高聚物为原料,采用干喷湿纺的纺丝工艺制备而成。纤维横截面为圆形或椭圆形,内部无肉眼可见的孔隙,纤维表面光滑,无纵向沟槽。它的强度可以与涤纶媲美,且具有高模量和高湿强度,其横截面与纵向外观如图7-4所示。



图7-4 Lyocell纤维的横截面与纵向外观

有专家团队对Lyocell纤维的力学性能、聚集态结构、吸湿性及热性能进行了系统的研究,为合理使用Lyocell纤维提供了有益的信息。
Lyocell纤维的X射线衍射结果表明,它具有典型的纤维素Ⅱ的晶型特征,为三斜晶型,根据衍射强度计算获得的纤维结晶度为54%,较黏胶纤维的结晶度高(40%)。双折射的结果表明,Lyocell纤维比黏胶纤维有更高的取向度,表明Lyocell纤维的纤维轴向规整性优于黏胶纤维。
Lyocell纤维因其基本的化学结构所致,构成纤维的基本单元中含有大量的羟基,使它具有良好的吸湿性。Lyocell纤维的吸水率可以达到11.5%,高于棉纤维的吸水率。吸湿好能够提高织物的穿着舒适性,同时可以减少静电的积累。
专家提出对Lyocell纤维、黏胶纤维和棉纤维在水中的膨胀性进行测试,结果表明,Lyocell纤维具有最大的横向膨胀能力,膨胀率可以达到40%,而黏胶纤维和细绒棉的横向膨胀率分别为31%和8%;纵向膨胀的结果则相反,Lyocell纤维仅为0.03%,而黏胶纤维纵同膨胀达到2.6%。
这一数据在某种程度上说明了,用Lyocell纤维制作的服装将具有很好的尺寸稳定性,因为它几乎不产生纵向的膨胀。
Lyocell纤维由干喷湿纺工艺制得,纤维具有较完善的圆形截面和较均一的内部结构,再加上纤维本身具有较高的聚合度,使 Lyocell纤维的干强和湿强均高于棉纤维,其干强几乎达到了涤纶的水平,因此,有利于其加工和制备强度要求高的服饰。Lyocell纤维还显示了较高的湿模量,这将使Lyocell纤维制造的面料具有缩水小、保形性好的特点。
Lyocell纤维的热学性能直接影响它的加工性能和使用性能,研究其耐热性、热收缩性和燃烧性对确定加工工艺有指导意义。
与黏胶纤维相比,由于Lyocell纤维的结晶度高,热分解的起始温度高于黏胶纤维,热失重较少,动态模量变化不大,纤维降强较少,断裂伸长率也可满足加工和使用要求,具有良好的耐热性,且热收缩率低,燃烧状况与黏胶纤维基本相同。Lyocell纤维在190℃下保持30min,纤维的断裂强度和断裂伸长率分别为原值的88.4%和88.6%,显示了良好的耐热性能。
在常规纺织加工和正常使用中,服装面料可能遇到的最高温度约在180℃,持续30s左右。纤维素纤维不存在合成纤维那样的大量热收缩圈,特别由于Lyocell纤维结晶度高,结构致密稳定,故热收缩率很低,保持了类似于棉、麻等天然纤维素纤维的特性。
因此,Lyocell纤维可适应熨烫加工和使用要求。
Lyocell纤维的化学结构与黏胶纤维相同,因此,具有天然纤维本身的诸多特性,如吸湿性、透气性、舒适性、光泽性、可染色性和可生物降解性等。此外,它还具有合成纤维的高强度的优点,其强度与涤纶接近,远高于棉和普通的黏胶纤维,良好的强伸特性不仅有利于纺纱、染整等加工过程,而且可以有效地提高织物的性能,它适宜与其他天然纤维或合成纤维混纺,开拓了应用领域。
我国纺织下游企业将Lyocell纤维织物的基本特征表述为:涤纶般的强力,棉的舒适,黏胶纤维的悬垂性,真丝般的光泽。

Lyocell纤维的应用应该充分发挥其自身的特点。
高吸湿性是它的本质特点,它赋予织物良好的服用性能,因此,它非常适合于制造服装,尤其是高档的服装,由于其具有很高的模量,使织物具有优异的保形性。

此外,利用它高吸湿性和高强度可制作牛仔系列的服装。过去牛仔布都用棉布生产,但棉布的强度低,不耐磨。Lyocell纤维的高强度是制作牛仔布的理想原料。

Lyocell纤维具有生物可降解性,因此,非常适合于制造一次性的卫生材料。目前在非织造面料中,有不少已经采用了黏胶纤维,但由于黏胶纤维的强度低,尤其是湿强低,使其最终产品的性能较低。

利用Lyocell纤维的高强度,超短Lyocell纤维制作的可冲散非织造面料已经在市场上出现。

(在今年的第十五届中国国际产业用纺织品及非织造布展览会上,中纺绿纤带来了一款绿纤®卫赛尔。这是一款无纺领域专用的莱赛尔纤维,纤维长度分为6mm、8mm、10mm、12mm,具有超短切、可冲散、高净白等特性。可应用于可冲散湿巾。相比于粘胶短切纤维,由于莱赛尔纤维的生产过程绿色环保,其生产的可冲散湿巾更安全、环保。)
Lyocell纤维还有一个不容忽视的特点是原纤化现象,它是纤维在湿态下由于纤维溶胀和机械外力作用,使原有的单根纤维在轴向发生劈裂,分裂出更细小的原纤。原纤化是所有纤维素纤维的共同特点,只是Lyocell更为严重。
纤维的原纤化容易造成起毛、起球,从而影响外观和染色。但这一性能也可以被充分利用而成为优点,在纤维制造和加工过程中对原纤化进行调控来制备桃皮绒织物、过滤材料和特殊的纸张等。

对于服装却要尽力避免出现原纤化,这也是开发抗原纤化品种的原因。目前市售的抗原纤化Lyocell纤维大都是从兰精公司进口,主要品种包括Tencel® A100、Tencel® A200和Lenzing Lyocell® LF。

抗原纤化处理实际上是通过添加多官能团的化学试剂,将纤维表面的大分子以化学键的方式连接起来,防止了纤维表面形成微纤。
这几个品种的生产工艺、抗原纤化效果及使用场合有所区别。
其中,天丝Tencel® A100为抗原纤化产品,纤维在加工过程中不易发生原纤化,可获得具有特殊光洁效果的织物,并且不易起毛起球。但与棉的同色性不好,且不易丝光整理,在碱性条件下易产生明显的痕迹,印染成品偶有甲醛含量超标现象。
Tencel® A200则是其后推出的适用于碱性条件使用的抗原纤化产品。因此,它适用于与棉混纺,以便进行丝光处理和染色。大生产中,交联反应可以在短纤维被切断前的丝束上进行,也可以在纤维被切断后的丝网上进行。
国内几家Lyocell纤维生产厂生产的抗原纤化产品正在推向市场。
