Detao Lab@SCUT
首页
团队简介
团队成员
论文发表
亮点报道
学习园地
团建活动
毕业寄语
当前位置:
首页
图片新闻
图片新闻
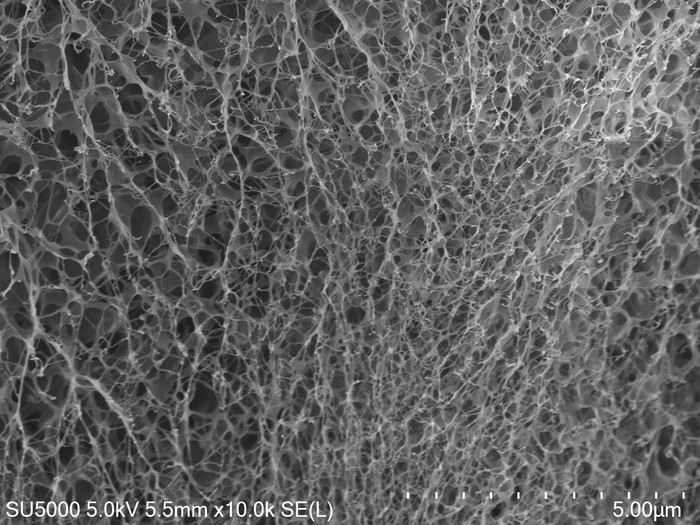
天然木材胞腔纳米纤维素原位制造
发布者:刘德桃
发布时间:2022-05-23
浏览次数:
12
Nanocellulose fabrication in nature wood